測量原理
SKGW53同軸導波雷達物位計是基于時間行程原理的測量儀表,雷達波以光速運行,運行時間可以通過電子部件被轉換成物位信號。探頭發出高頻脈沖并沿纜繩傳播,當脈沖遇到物料表面時反射回來被儀表內的接收器接收,并將距離信號轉化成物位信號。
SKGW53同軸導波雷達物位計參數
應 用:介電常數低或表面波動液體
測量范圍: 6m
過程連接:螺紋、法蘭
介質溫度:-40~150℃
過程壓力:-0.1~4.0Mpa
精 度:±10mm
防爆等級:Exb IIBT4 Gb
防護等級:IP67
信號輸出:4~20mA/HART(兩線/四線)
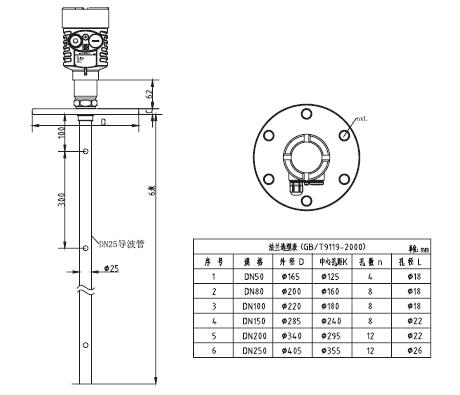
SKGW53同軸導波雷達物位計外型尺寸圖

SKGW53同軸導波雷達物位計安裝圖

SKGW53同軸導波雷達物位計選型
單元 |
參數 |
防爆 |
P標準型(非防爆)
I隔爆型(Exb II BT4 Gb) |
傳感器/棒式探頭 |
A 同軸外徑Φ28mm |
過程連接/材料 |
GA G1A/螺紋 不銹鋼
NA 1NPT螺紋 不銹鋼
C 法蘭DN50 PN16C 不銹鋼
D 法蘭DN80 PN16C 不銹鋼
E 法蘭DN100 PN16C 不銹鋼
F 法蘭DN150 PN16C 不銹鋼
H 法蘭DN200 PN16C 不銹鋼
K 法蘭DN250 PN16C 不銹鋼
Y特殊定制 |
密封/過程溫度 |
P 普通密封/-40…150℃ |
電子單元 |
3 (4~20)mA/24VDC/HART兩線制
4 (4~20)mA/(-24)VDC /HART四線制
5 (4~20)mA/(-220)VAC /HART四線制 |
外殼/防護等級 |
L 鋁/IP67
G 不銹鋼304/IP67 |
電纜進線 |
M M20*1.5
N 1/2NPT |
特殊約定 |
Y 特殊定制 |
|